SD16/WF16
| разъем: | |
|---|---|
| Число контактов: | |
| SKU: | |
| штат: | |
| Количество: | |
Высший класс защиты IP67/IP68: Разъемы серии SD16 гарантируют полную герметичность от пыли и возможность длительного погружения в воду, что делает их пригодными для самых суровых условий эксплуатации.
Надежное резьбовое соединение: Механизм винтовой блокировки обеспечивает максимальную прочность сцепления, устойчивость к сильной вибрации и случайному отсоединению кабеля, что критически важно для ответственных промышленных применений.
Универсальные токовые характеристики: Разъемы поддерживают различные нагрузки: 10 А для 2- и 3-контактных версий и 5 А для версий от 4 до 9 контактов, покрывая широкий спектр задач.
Термостойкие изоляционные материалы: Использование изоляторов из термопластика PPS с высокой термостойкостью (до 260°C) гарантирует стабильность электрических параметров при нагреве.
Прочные материалы корпуса: Корпус выполнен из прочного нейлона PA66, обеспечивая долговечность и огнестойкость класса V-0, устойчивость к коррозии и УФ-излучению.
| Характеристика | Спецификация |
| Серия продукта | Металлический промышленный электрический соединитель SD16 |
| Механизм фиксации | Резьбовой (Винтовой замок) |
| Количество контактов | 2, 3, 4, 5, 6, 7, 9 Число контактов |
| Материал корпуса | Термопластик PA66/PA6 (V-0) |
| Степень защиты | IP65 (стандарт) / IP67 (опция) |
| Материал корпуса | Цинковый сплав (никелированный) + PBT |
| Материал изолятора | Термопластик PPS (Термостойкость 260℃) |
| Сопротивление изоляции | ≥2000 мОм (MΩ) |
| Номинальный ток (A) | 10А/5A |
| Механический ресурс | ≥500 циклов |
| Рабочая температура | -30°C ~ +85°C |
| Схема соединителя | |
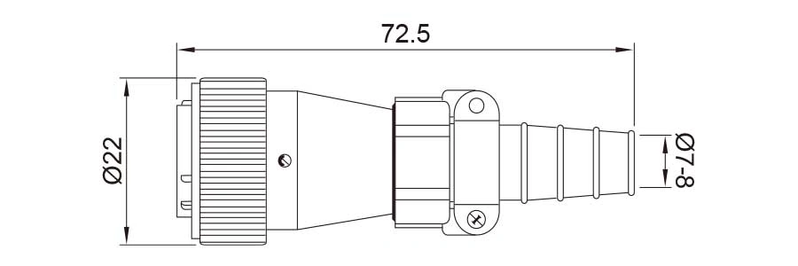
| Штекер с кабельным зажимом (пластинами) | Гнездо с кабельным зажимом (пластинами) |
![]() | ![]() |
| Угловой штекер с задним корпусом и кабельным зажимом | Угловое гнездо с задним корпусом и кабельным зажимом |
![]() | ![]() |
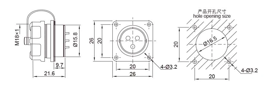
| Штекер с квадратным фланцем | Гнездо с квадратным фланцем |
![]() | ![]() |
| Булавки | 2 | 3 | 4 | 5 | 6 | 7 | 9 | 10 |
Вид спереди | ![]() | ![]() | ![]() | ![]() | ![]() | ![]() | ![]() | ![]() |
| Номинальный ток | 10A | 10A | 5A | 5A | 5A | 5A | 5A | 5A |
Диаметр контакта | φ1.5×2mm | φ1.5×3mm | φ1×4mm | φ1×5mm | φ1×5mm | φ1×7mm | φ1×9mm | φ1×10mm |
Рабочее напряжение (переменного тока) | 500 | 500 | 500 | 500 | 500 | 400 | 400 | 400 |
Выдерживаемое напряжение (переменного напряжения) 1 мин | 1500 | 1500 | 1500 | 1500 | 1500 | 1200 | 1200 | 1200 |
Контактное сопротивление | 2.5mΩ | 2.5mΩ | 5mΩ | 5mΩ | 5mΩ | 5mΩ | 5mΩ | 5mΩ |
| Сечение проволоки (мм⊃2;/AWG) | ≤2/14 | ≤2/14 | ≤0.75/18 | ≤0.75/18 | ≤0.75/18 | ≤0.75/18 | ≤0.75/18 | ≤0.75/18 |
Промышленная автоматизация: Используется как надежный силовой разъем IP68 для станков с ЧПУ, систем управления и робототехники.
Навигационное оборудование: Применяется в авиационных разъемах для морских и авиационных навигационных систем, требующих герметичности.
Системы безопасности и видеонаблюдения: Водонепроницаемые коннекторы SD16 для уличных IP-камер и систем контроля доступа.
Медицинское оборудование: Герметичные разъемы для портативных диагностических приборов, где важна надежность и безопасность.
Нефтегазовая отрасль: Применение в системах разведки и измерения, где требуется устойчивость к агрессивным средам и влаге.
В1: В чем преимущество резьбового замка для разъема IP68?
Резьбовое соединение обеспечивает очень плотное и прочное сжатие уплотнительных колец, что критически важно для достижения и поддержания класса защиты IP68 при вибрациях и погружениях.
В2: Можно ли использовать эти разъемы в условиях сильных морозов?
Да, диапазон рабочих температур от -40°C до +85°C охватывает большинство климатических зон и промышленных требований.
В3: Какие методы подключения (заделки кабеля) поддерживаются?
Стандартно поддерживается пайка (Solder termination). Для получения информации о вариантах под обжимку или винтовой зажим, пожалуйста, свяжитесь с Sta Electronic.
В4: Какой максимальный диаметр кабеля подходит для этого разъема?
Разъем SD16 предназначен для кабелей с внешним диаметром от 4 до 8 мм.
